Size |
Ratio | Rated output torque |
Allowable Scceleration/Deceleration Torque |
Instantaneous maximum allowable torque |
Rated input speed |
Effective speed during the work cycle |
Maximum allowable input speed |
Inclined stiffness |
Torsional stiffness |
Average starting torque under no-load conditions |
Maximum invalid travel |
Angular offset in torsional transmission |
Backlash | Maximum tilting moment |
Rated radial force |
Rated axial thrust |
Inertial bending moment (I=G²D/4) Kg-m² |
Weight |
|
| NM kgf-m |
NM kgf-m |
NM kgf-m |
NR (rpm) |
nef (rpm) |
nmf (pm) |
Nm/arcmin kgf-m/arcmin |
Nm/arcmin kgf-m/arcmin |
nm | LOST motim (arc,min) |
ATE (arcsec) |
Backlash (arcsec) |
NM kgf-m |
N/M | N | (I=10⁴) Kg-m² |
KG | |||
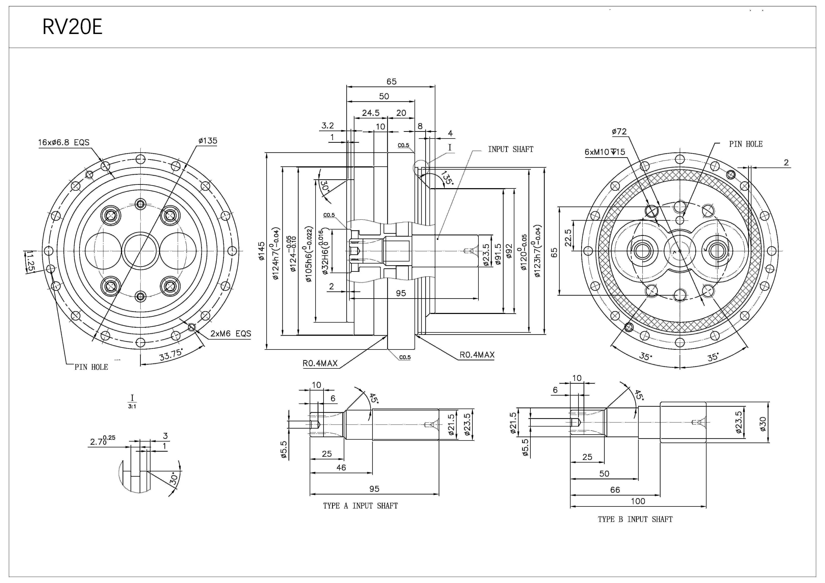
| RV-20E | 57 81 105 121 141 161 |
57 80 104 120 140 160 |
167 (17) |
412(42) | 833(85) | 2000 | 3000 | 4000 4000 4000 5000 |
372(38) | 49(5) | 0.36 0.28 0.22 0.2 |
<1.0 | 40 | <1.0 | 1764 (180) |
882 | 3920 | 1.08x10° 0.65×10 0.45x10° 0.37x10° |
4.7 |
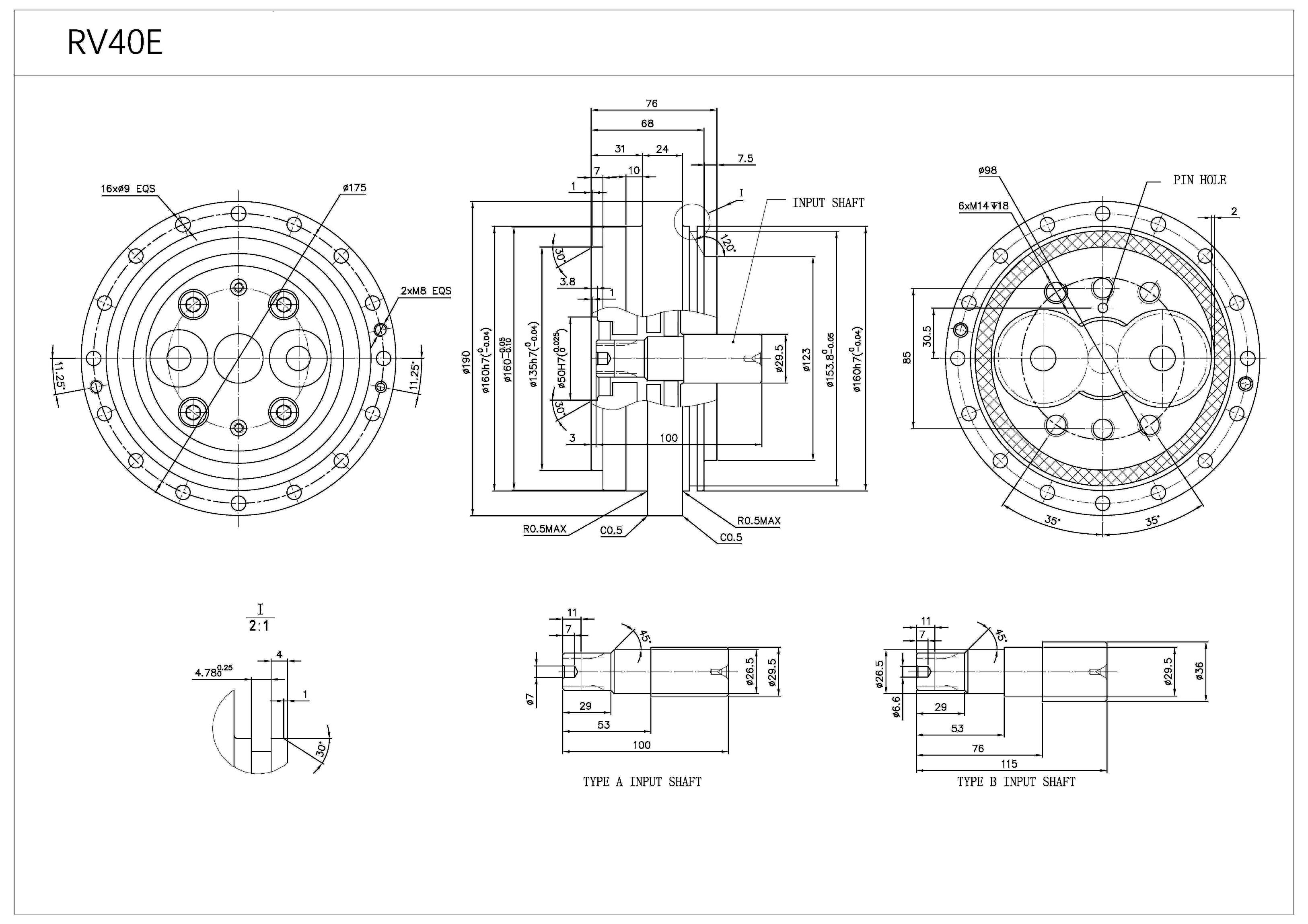
| RV-40E | 57 81 105 121 153 |
56 80 104 120 152 |
412 (42) |
1029(105) | 2085(210) | 2000 | 2500 | 3500 | 931(95) | 108(11) | 0.76 0.7 0.7 0.66 |
<1.0 | 40 | <1.0 | 3332 (340) |
1666 | 5194 | 2.40x10° 1.72x10⁵ 1.43×10⁵ 1.03×10⁵ |
9.3 |
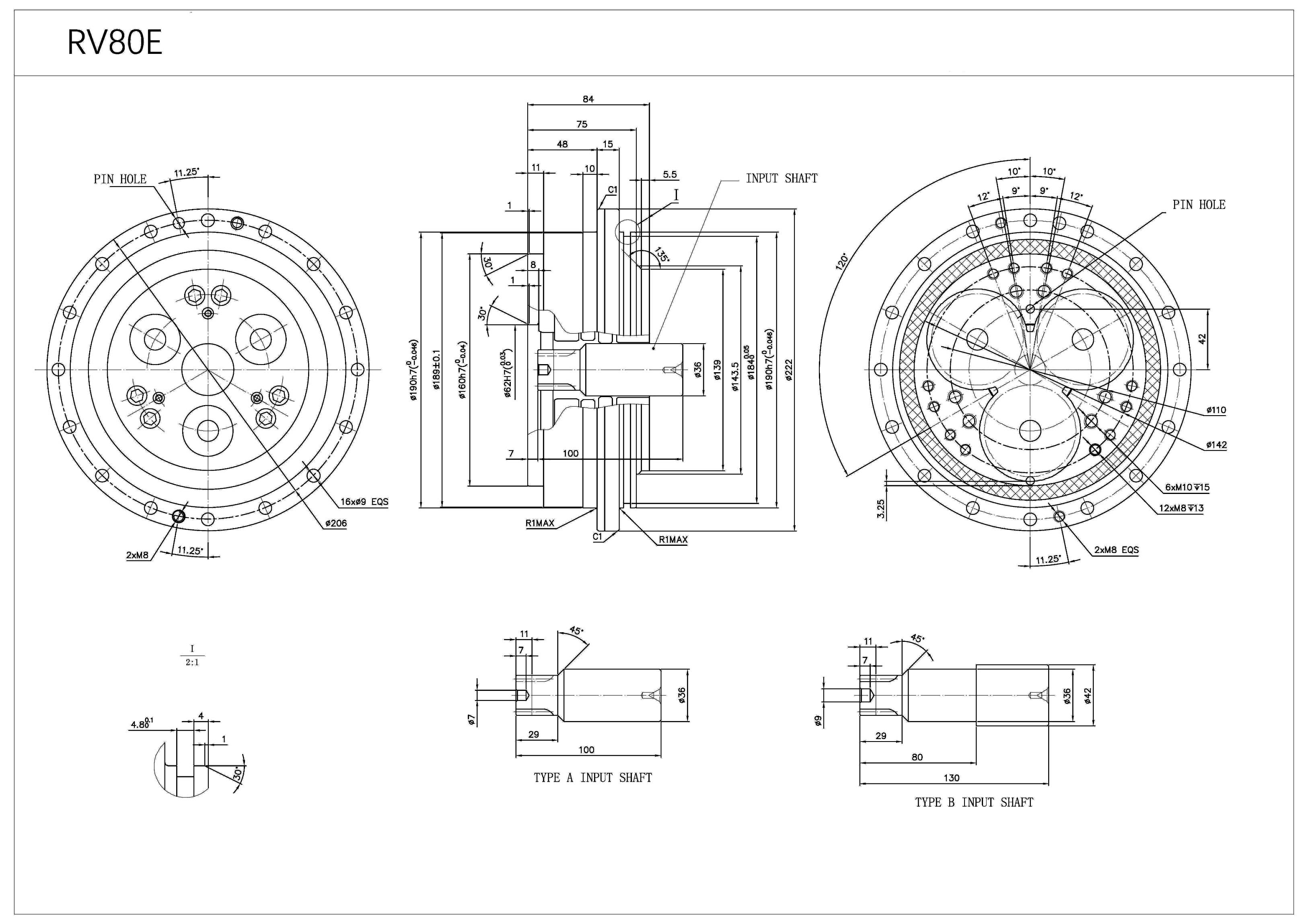
| RV-80E | 57 81 101 121 153 |
56 82 100 120 152 |
784 (80) |
1960(200) | 3920(400) | 2000 | 2500 | 3500 | 1176(120) | 196(20) | 0.96 0.9 0.9 0.5 |
<1.0 | 40 | <1.0 | 4312 (440) |
2156 | 7840 | 5.58x10 4.30x10⁵ 3.53×10⁵ 2.51×10 |
13 |
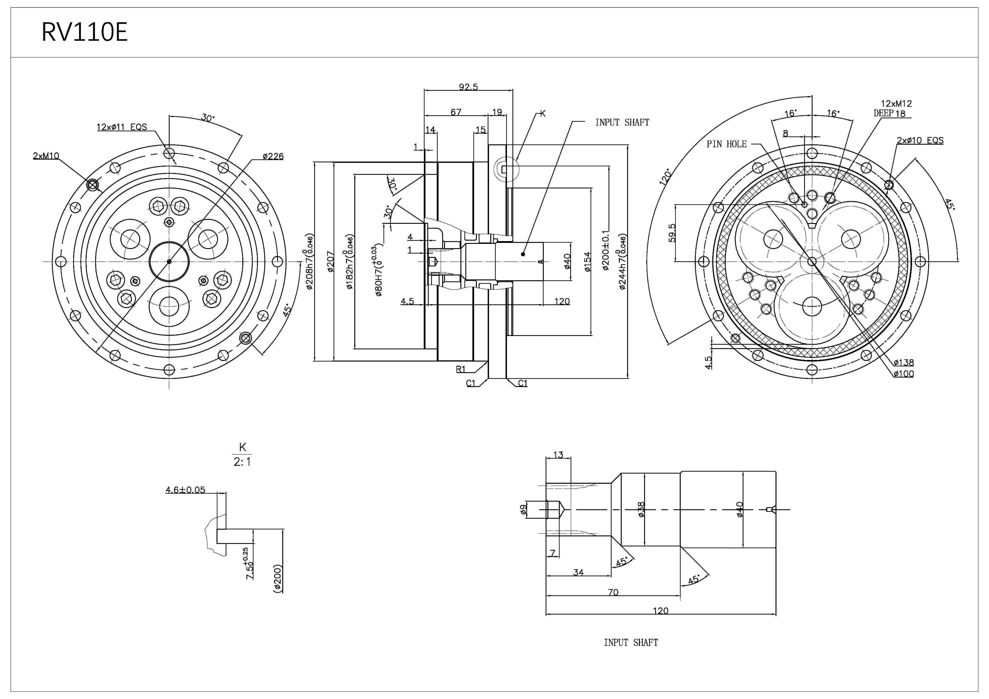
| RV-110E | 81 111 161 175.28 |
80 110 160 174.28 |
1078 (110) |
2695(275) | 5390(550) | 2000 | 2500 | 3500 | 1470(150) | 294(30) | 1.15 1.15 1.1 |
<1.0 | 40 | <1.0 | 5880 (600) |
2940 | 10780 | 0.73x10 0.65x10 0.48x10⁴ 0.36x10⁴ |
17 |
| 1.05 | |||||||||||||||||||
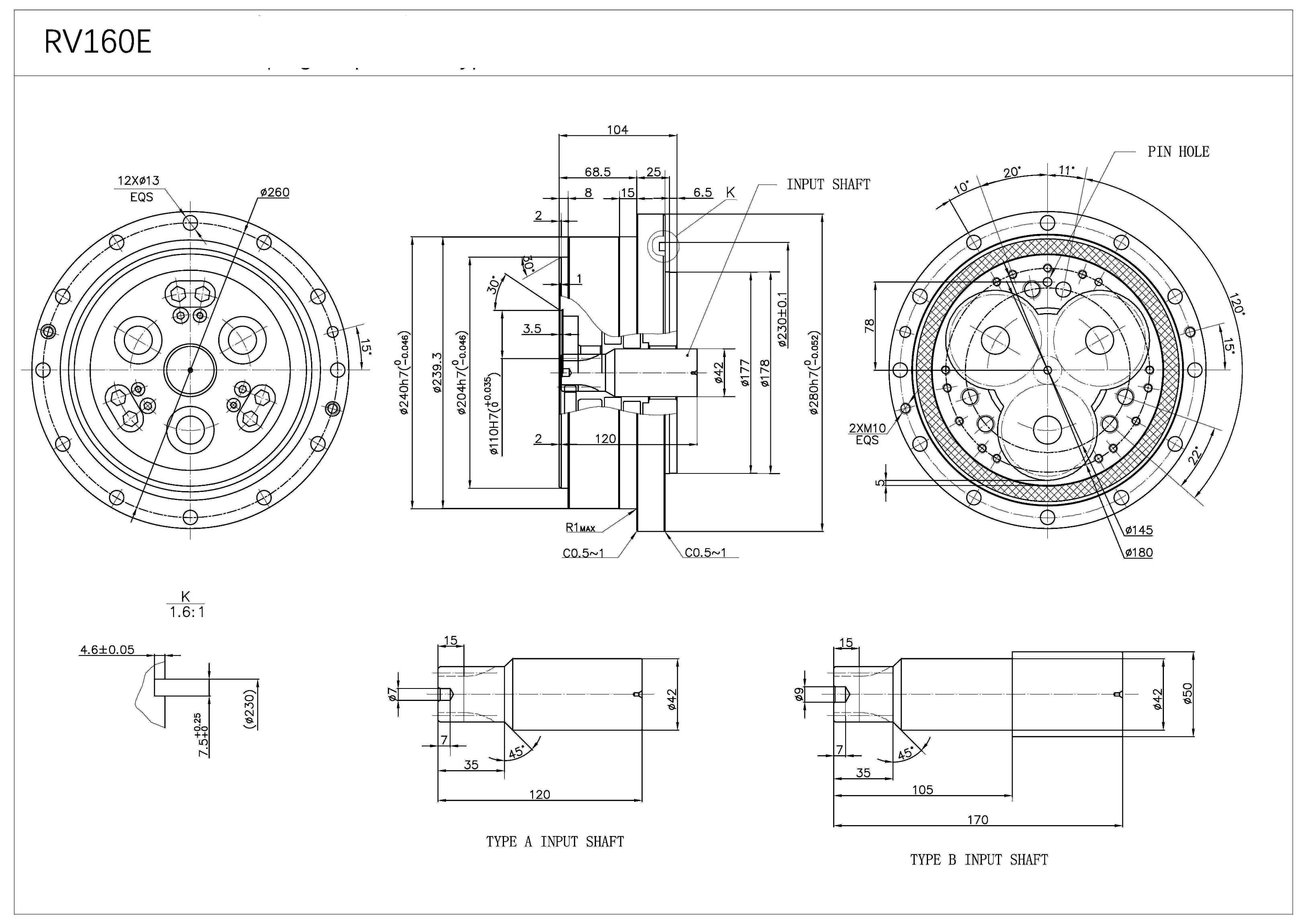
| RV-160E | 81 101 129 145 171 |
80 100 128 144 170 |
1568 (160) |
3920(400) | 7840(800) | 2000 | 2500 | 3500 | 2940(300) | 392(40) | 1.5 | <1.0 | 40 | <1.0 | 7840 (800) |
3920 | 14700 | 0.73×10⁴ 0.65x10⁴ 0.48x10⁴ 0.36x10 |
26 |
| 1.4 | |||||||||||||||||||
| 1.3 1.3 |
|||||||||||||||||||
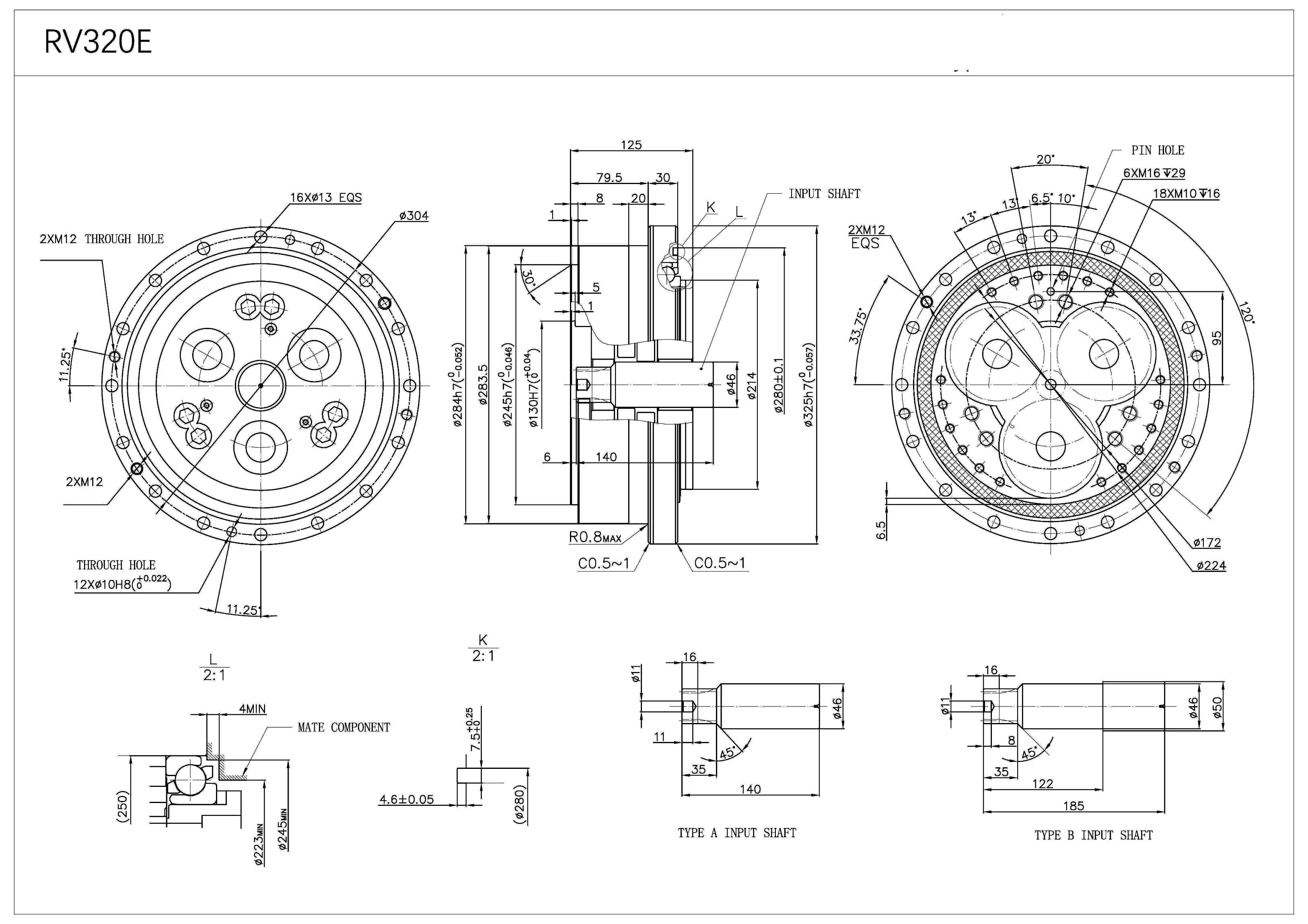
| RV-320E | 81 101 118.5 129 141 153 171 185 201 |
80 100 1175 128 140 152 170 184 200 |
3136 (320) |
7840(800) | 15680(1600) | 1500 | 2000 | 3000 | 4900(500) | 980(100) | 1.8 | <1.0 | 40 | <1.0 | 14112 (1440) |
7056 | 19600 | 3.88x10⁴ | 44 |
| 1.7 | 3.25x10 | ||||||||||||||||||
| 1.5 | 1.83x10⁴ | ||||||||||||||||||
| 1.5 | 0.70x10⁴ | ||||||||||||||||||
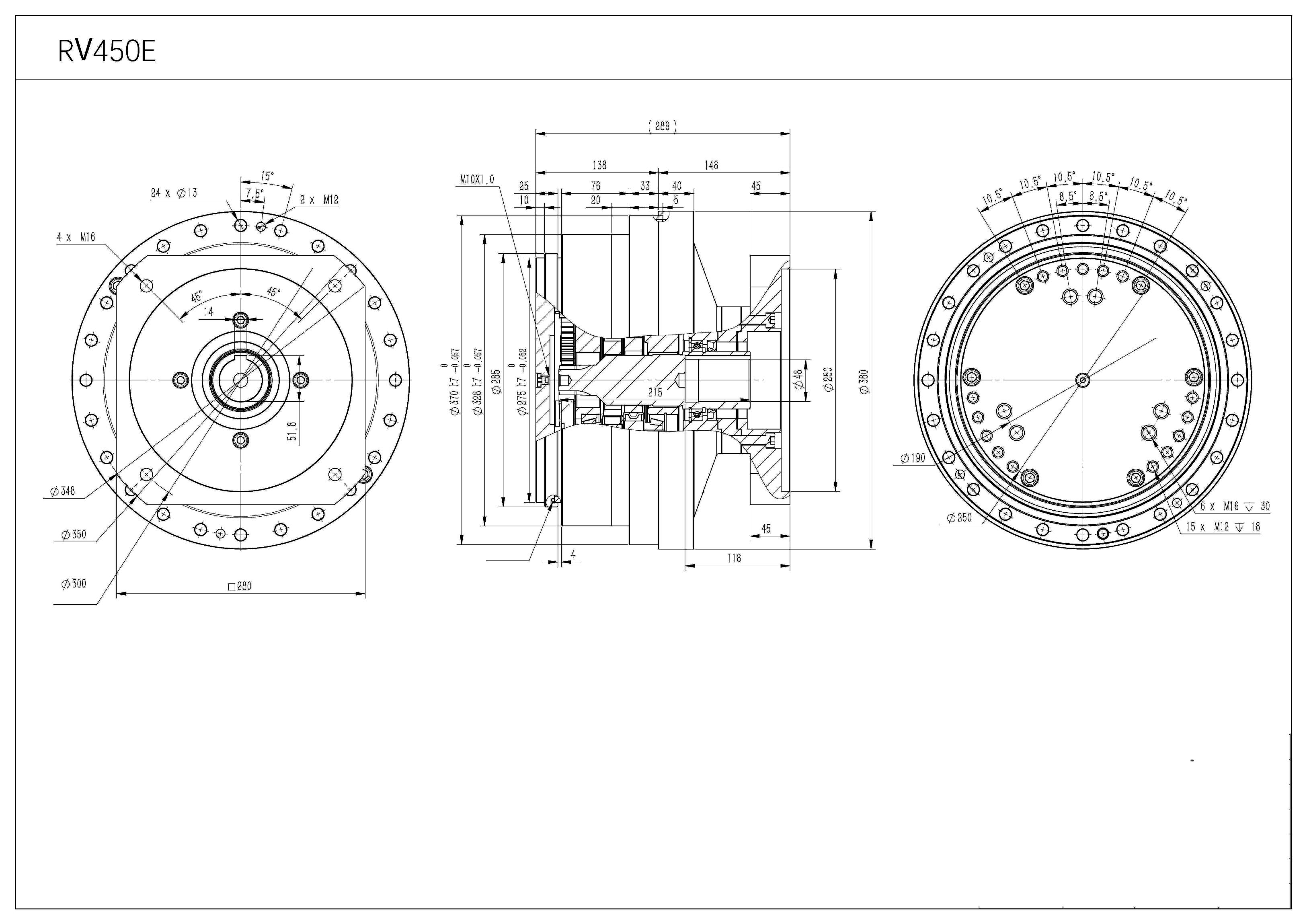
RV-450E |
81 101 118.5 129 154.8 171 192.4 |
80 100 117.5 128 153.8 170 191.4 |
4410 (450) |
11025(1125) | 22050(2250) | 1500 | 2000 | 3000 | 7448(760) | 1176(120) | 2 | <1.0 | 40 | <1.0 | 17640 (1800) |
8820(900) | 24500 | 5.70x10⁴ | 66 |
| 1.8 | 4.03x10⁴ | ||||||||||||||||||
| 1.7 | 3.32x10⁴ | ||||||||||||||||||
| 1.7 | 0.65x10 | ||||||||||||||||||
Internal Main Bearing


















