GEAR BOX PERFORMANCE INFORMATION
| Stage | Ratio | ADR047 | ADR064 | ADR090 | ADR110 | ADR140 | ADR200 | ADR255 | ||
| Normal output torque | Nm | 1 | 4 | 19 | 48 | 130 | 270 | 560 | 1,100 | 1,700 |
| 5 | 22 | 60 | 160 | 330 | 650 | 1,200 | 2,000 | |||
| 6 | 55 |
150 |
310 |
600 |
||||||
| 7 | 19 |
50 |
140 |
300 |
550 |
1,100 | 1,800 | |||
| 8 | 17 |
48 |
130 |
270 |
560 |
1,000 | 1,600 | |||
| 10 | 14 |
60 |
160 |
330 |
650 |
520 | 1,220 | |||
| 14 | 50 | 140 | 300 | 550 | 1,100 | 1,800 | ||||
| 20 | 40 | 100 | 230 | 450 | 520 | 1,220 | ||||
| 2 | 20 | 19 | 48 | 130 |
270 | 560 | 1,100 | 1,700 | ||
| 25 | 22 |
60 |
160 |
330 |
650 |
1,200 | 2,000 | |||
| 35 | 22 |
60 |
160 |
330 |
650 |
|||||
| 40 | 22 | 48 | 130 | 270 | 560 | 1,200 | 2,000 | |||
| 50 | 22 |
60 |
160 |
330 |
650 |
1,200 | 2,000 | |||
| 60 | 55 |
150 |
310 |
600 |
||||||
| 70 | 22 | 60 | 160 | 330 | 650 | 1,200 | 2,000 | |||
| 80 | 48 |
130 |
270 |
560 |
||||||
| 100 | 22 |
60 |
160 |
330 |
650 |
1,200 | 2,000 | |||
| 120 | 150 | 310 | 600 | |||||||
| 140 | 140 | 300 | 550 | 1,100 | 1,800 | |||||
| 160 | 120 |
260 |
500 |
|||||||
| 200 | 100 |
230 |
450 |
520 | 1,220 | |||||
| Maximum output torque | Nm | 12 | 4~200 |
3 times nominal output torque | ||||||
| Normal input speed | pm | 12 | 4~200 |
5,000 | 5,000 | 4,000 | 4.000 |
3.000 |
3,000 | 2,000 |
| Maximum input speed | rpm | 12 | 4~200 |
10,000 | 10,000 | 8,000 | 8,000 | 6,000 | 6,000 | 4,000 |
| Backlash PO | arcmin | 1 | 4~20 |
≤2 | ≤2 | ≤2 | ≤2 | ≤2 | ||
| 2 | 20~200 |
≤4 | ≤4 | ≤4 | ≤4 | ≤4 | ||||
| Backlash P1 | arcmin | 1 | 4~20 |
≤4 | ≤4 | ≤4 | ≤4 |
≤4 | ≤4 | ≤4 |
| 2 | 20~200 | ≤7 | ≤7 | ≤7 | ≤7 | ≤7 | ≤7 | ≤7 | ||
| Backlash P2 | arcmin | 1 | 4~20 |
≤6 | ≤6 | ≤6 | ≤6 | ≤6 | ≤6 |
≤6 |
| 2 | 20~200 |
≤9 | ≤9 | ≤9 | ≤9 | ≤9 | ≤9 |
≤9 |
||
| Torsional stiffness | 12 | 4~200 | 7 | 13 | 31 | 82 | 151 | 440 | 1,006 | |
| Maximum bending torque | Nm | 12 | 4~200 |
42.5 | 125 | 235 | 430 | 1,300 | 3,064 | 5,900 |
| Maximum radial force | N | 12 | 4~200 | 1,080 | 2,110 | 2,310 | 4,800 | 6,200 | 5,450 | 10,600 |
| Service life | hr |
12 | 4~200 |
20,000* | ||||||
| Efficiency at full load | % | 1 | 4~20 |
≥95% | ||||||
| 2 | 20~200 |
≥92% | ||||||||
| Gearbox weight | kg | 1 | 4~20 |
1.1 | 2.1 | 5.9 | 10.5 | 21.9 | 50.9 85.4 |
|
2 |
20~200 |
1.4 |
1.9 |
4.5 |
9.8 |
20.1 |
45.4 85.9 | |||
| Operating temperature | ℃ |
12 | 4~200 |
-10℃~+90℃ | ||||||
| Standard lubrication | 12 | 4~200 |
Synthetic grease | |||||||
| Protection class | 12 | 4~200 | IP65 | |||||||
| Installation position | 12 | 4~200 |
Any | |||||||
| Running noise(n=3000rpm) | dB | 12 | 4~200 | ≤61 | ≤63 | ≤65 | ≤68 | ≤70 | ≤72 | ≤74 |
| Stage | Ratio | ADR047 | ADR064 | ADR090 | ADR110 | ADR140 | ADR200 | ADR255 | |||
| Mass moment of inertia | kg ·cm2 | 1 | 4~7 |
0.09 | 0.35 | 2.25 | 6.84 | 23.4 | 68.9 | 135.4 | |
8~10 |
0.09 |
0.07 |
1.87 |
6.25 |
21.8 |
65.6 |
119.8 |
||||
| 14~20 | 0.07 | 1.87 | 6.25 | 21.8 | 65.6 | 119.8 | |||||
| 2 | 20~40 |
0.09 | 0.09 | 0.35 | 2.25 | 6.84 | 23.4 | 68.9 | |||
| 50 | 0.09 | 0.31 | 1.87 | 6.25 | 21.8 | 65.6 | |||||
| 60 | 0.09 | 0.35 | 2.25 | 6.84 | |||||||
70~100 |
0.09 |
0.31 |
1.87 |
6.25 |
21.8 |
65.6 |
|||||
| 120~200 | 0.31 | 1.87 | 6.25 | 21.8 | 65.6 | ||||||
High-Precision Series
90-Degree Gearbox
Helical Tooth Design
Heavy-Duty Deep Groove Ball Or Angular Contact Bearings
Reinforced rotating shaft oil seal
Extra Large Circular Output Flange
Integrated structure of sun gear and input shaft
Integrated double support design planet carrier
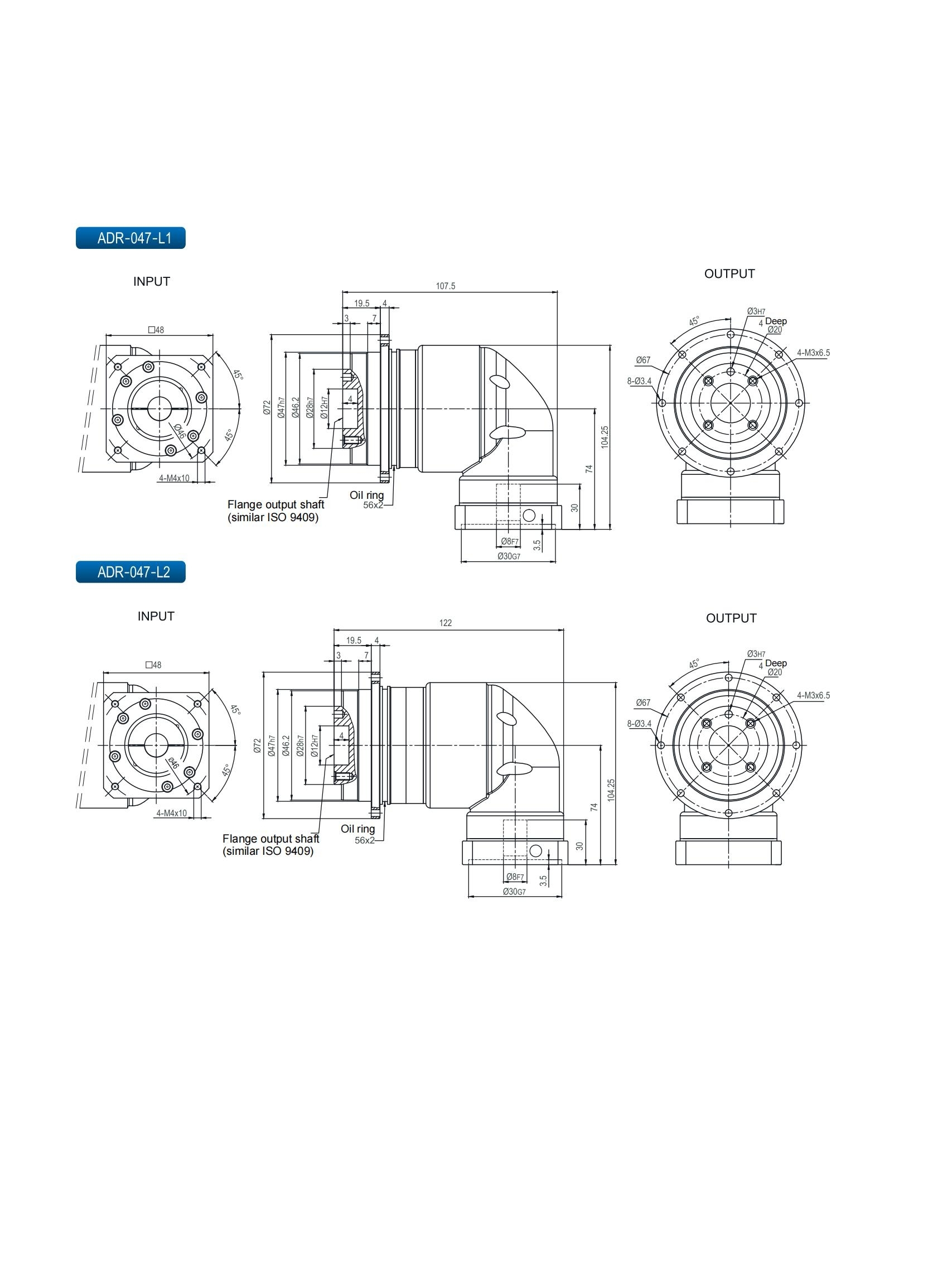
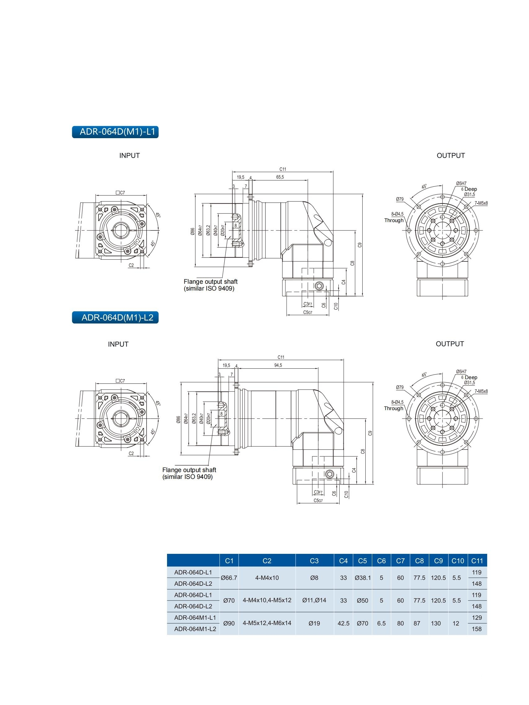
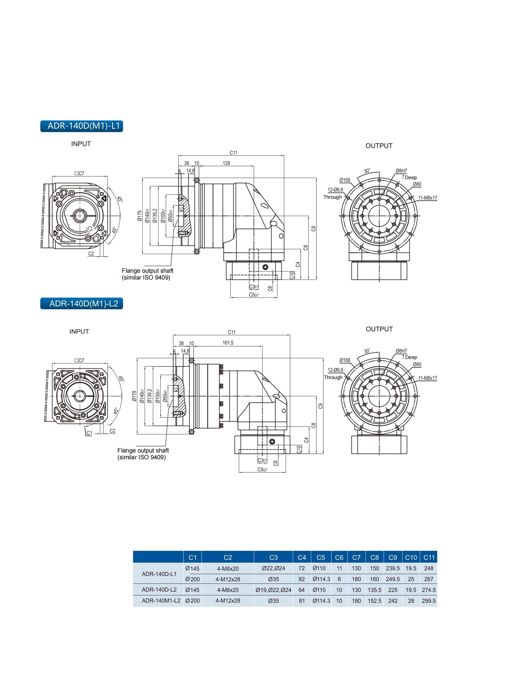
Flanged Output Shaft
Standard gear clearance
Minimized backlash
Industrial-grade grease
Food-safe lubricant
Standard coating
Electrostatically applied paint
Inertia-reduced clamping






