Harmonic Drive/Strain Wave Gears
 Harmonic Drive/Strain Wave Gears

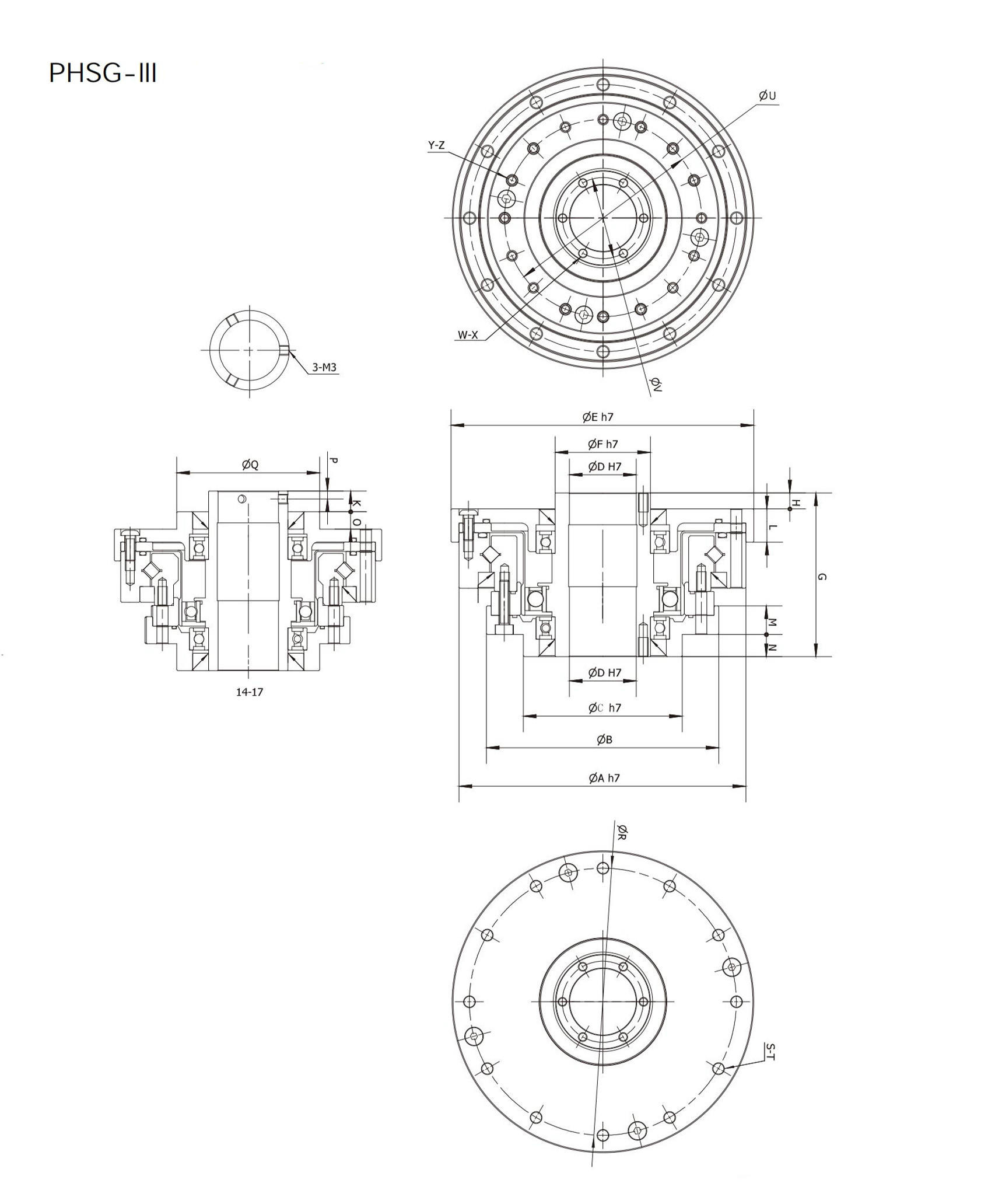
Harmonic Drive PHSG-III

Frame size

The PHSG-III Series features an advanced hollow flange standard cylinder structure with a large-diameter hollow shaft through the wave generator, providing exceptional space for wiring and component integration. Equipped with built-in support bearings and a fully sealed design, it ensures robust performance and simplified installation, making it ideal for applications requiring clean cable management and direct drive solutions.

This high-torque model delivers 30% higher torque capacity and 40% extended service life compared to standard series, offering enhanced durability and power for demanding industrial environments.

The lightweight housing design improves thermal conductivity, reduces vibration, and offers better heat dissipation than traditional all-steel units, resulting in smoother operation and increased efficiency.

Ideal for robotics, automation, precision assembly, and medical equipment, the PHSG-III Series combines high performance with reliability in a compact and user-friendly package.

 

Features

 

 Large Diameter Hollow Shaft


 Compact and Simplified Design


 High Torque Capacity


 High Torsional Rigidity


 Zero Backlash


 Superior Positioning and Rotational Accuracy


 Coaxial Input and Output


 Lightweight and Efficient Heat Dissipation

 

 Extended Service Life & Enhanced Reliability

140x140
Type Speed
ratio
Rated torque at
input 2000r/min
Allowable peak
torque when
starting and
stopping
The allowable
maximum value
of the average
load torque
The maximum
allowable
torque in an
instant
Maximum
allowable
  input
rotation
speed
(Grease
lubrication)
Average
allowable
input
speed
Backlash Designed
service
life

(Grease
lubrication)
Nm kgfm Nm kgfm Nm kgfm Nm kgfm r/min r/min Arc Sec Hour
14  50  6.7    0.7  22  2.2  8.6    0.9  44  4.4  14000  8500  ≤20 15000 
80  9.7    1.0  29  2.9  13.7    1.4  58  5.8 
100  9.7    1.0  35  3.5  14    1.4  67  6.7 
17  50  20    2.0  43  4.3  33    3.3  88  8.8  10000  7300  ≤20 20000 
80  27.8    2.8  54  5.4  34    3.4  110  11.0 
100  30    3.0  66  6.6  49    4.9  135  13.5 
120  30    3.0  66  6.6  49    4.9  107  10.7 
20  50  32.5    3.3  72  7.2  44    4.4  127  12.7  10000  6500  ≤20 20000 
80  43    4.3  93  9.3  59    5.9  161  16.1 
100  51    5.1  105  10.5  63    6.3  188  18.8 
120  51    5.1  111  11.1  63    6.3  188  18.8 
160  51    5.1  117  11.7  63    6.3  188  18.8 
25  50  49    4.9  123  12.3  69    6.9  234  23.4  7500  5600  ≤20 20000 
80  79    7.9  171  17.1  109    10.9  320  32.0 
100  85    8.5  199  19.9  136    13.6  360  36.0 
120  85    8.5  212  21.2  136    13.6  385  38.5 
160  85    8.5  223  22.3  136    13.6  398  39.8 
32  50  96    9.6  273  27.3  136    13.6  482  48.2  7000  4800  ≤20 20000 
80  146    14.6  376  37.6  206    20.6  702  70.2 
100  171    17.1  416  41.6  269    26.9  807  80.7 
120  171    17.1  440  44.0  269    26.9  855  85.5 
160  171    17.1  463  46.3  269    26.9  855  85.5 

PHSG-III

 

    Type
Symbol
14  17  20  25  32  40 
ΦAh7 70  80  90  110  142  170 
ΦB 54  64  75  90  115  140 
φCh7 36  45  50  60  85  100 
ΦDH7 14  19  21  29  36  46 
φEh7 74 
84
95 
115

147

175
φFh7 20  25  30  38  45  59 
G 52.5  56.5  51.5  55.5  65.5  79 
H 12  12 
I 20.5  23  25  26  32  38 
J 20  21.5  21.5  23.5  26.5  33 
K 6.5  6.5         
L   10  10.5  10.5  12  14 
M 8.5  8.5  9.5  13 
N 7.5  8.5 
5.5 5.5        
P 2.5  2.5         
ΦQ 36  45         
φR 64  74  84  102  132  158 
S 12  12  12  12  12 
ΦT 3.5  3.5  3.5  4.5  5.5  6.6 
中  U 44  54  62  77  100  122 
ΦV     25.5  33.5  40.5  52 
W
X M3 M3 M3X6 M3X6 M3X6 M4X8
Y     16  16  16  16 
Z M3X5 M3X6 M3X6 M4X7 M5X8 M6X10
φ3.5×11.5 ①3.5×12 φ3.5×13.5 ①4.5×15.5 φ5.5×20.5 φ6.6×25
a 10  10  10  10  10  12 
b 20  22  22  23  25  32 

 

Robot

Humanoid Robot

Metal-working 

Medical Equipment

 

Energy

Paper Machinery

Aviation

Communication

Downloads

 

 

Have questions about our gearboxes?

 

We would be happy to help you!

 

140x140