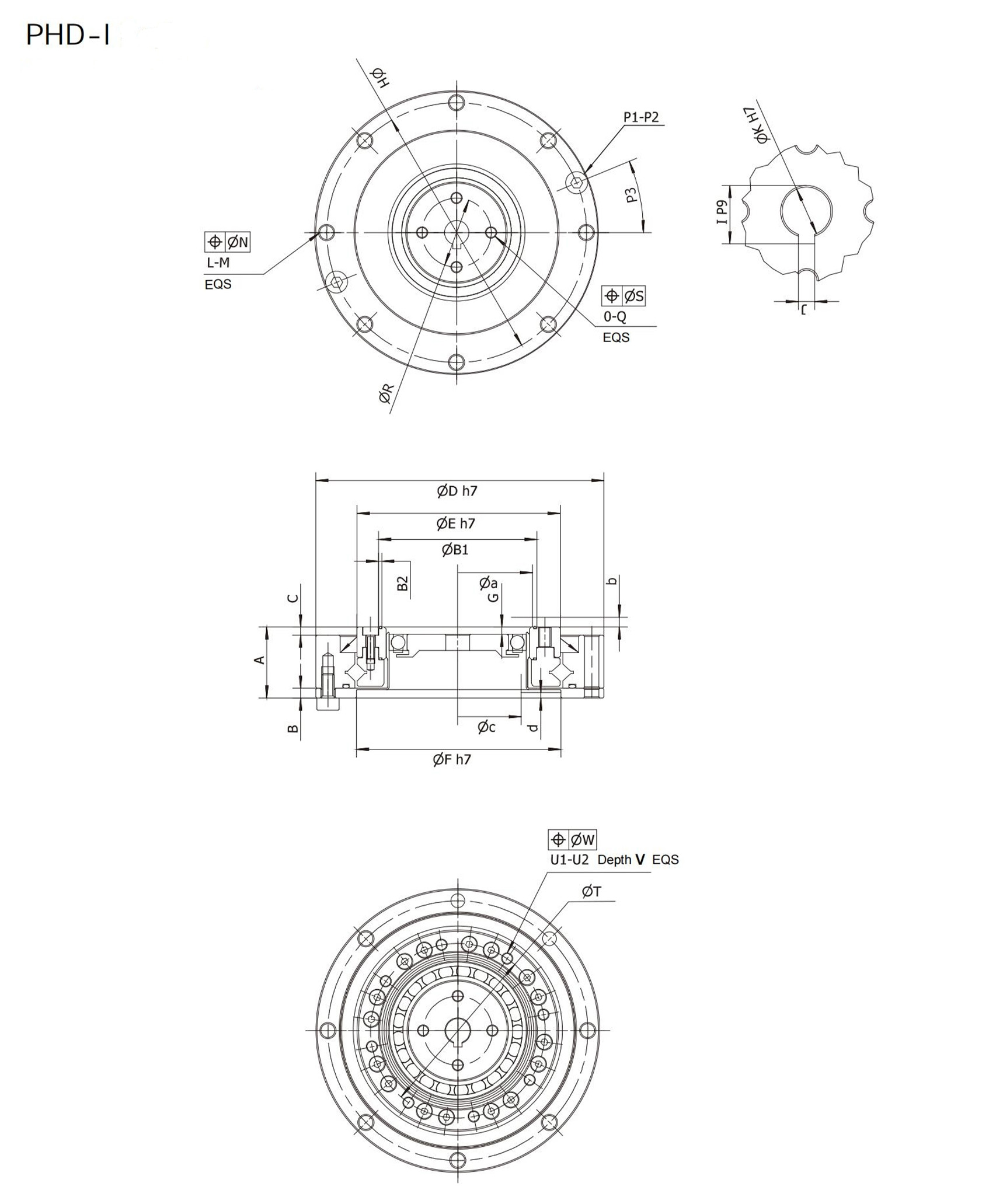
| Type | Speed ratio |
Rated torque at input 2000r/min |
Allowablepeak torque when starting and stopping |
The allowable maximum value of the average load torque |
The maximum allowable torque in an instant |
Maximum allowable input rotation speed (Grease lubrication) |
Average allowable input speed (Grease lubrication) |
Backlash | Designed service life |
||||
| Nm | kgfm | Nm | kgfm | Nm | kgfm | Nm | kgfm | r/min | r/min | Arc Sec | Hour | ||
| 14 | 50 | 3.6 | 0.4 | 12 | 1.2 | 4.6 | 0.5 | 24 | 2.4 | 8000 | 3500 | ≤30 | 8000 |
| 80 | 5.2 | 0.5 | 15 | 1.5 | 7.3 | 0.7 | 31 | 3.1 | |||||
| 100 | 5.2 | 0.5 | 19 | 1.9 | 7 | 0.7 | 36 | 3.6 | |||||
| 17 | 50 | 10.6 | 1.1 | 23 | 2.3 | 17 | 1.7 | 46 | 4.6 | 7000 | 3500 | ≤30 | 10000 |
| 80 | 14 | 1.4 | 27 | 2.7 | 17 | 1.7 | 55 | 5.5 | |||||
| 100 | 15 | 1.5 | 33 | 3.3 | 24 | 2.4 | 68 | 6.8 | |||||
| 20 | 50 | 16 | 1.6 | 35 | 3.5 | 26 | 2.6 | 72 | 7.2 | 6000 | 3500 | ≤30 | 10000 |
| 80 | 24 | 2.4 | 53 | 5.3 | 39 | 3.9 | 108 | 10.8 | |||||
| 100 | 28 | 2.8 | 62 | 6.2 | 45 | 4.5 | 126 | 12.6 | |||||
| 25 | 50 | 27 | 2.7 | 68 | 6.8 | 38 | 3.8 | 129 | 12.9 | 5500 | 3500 | ≤30 | 10000 |
| 80 | 43 | 4.3 | 93 | 9.3 | 59 | 5.9 | 174 | 17.4 | |||||
| 100 | 45 | 4.5 | 105 | 10.5 | 72 | 7.2 | 191 | 19.1 | |||||
| 120 | 45 | 4.5 | 112 | 11.2 | 72 | 7.2 | 204 | 20.4 | |||||
| 32 | 50 | 51 | 5.1 | 128 | 12.8 | 72 | 7.2 | 243 | 24.3 | 4500 | 3500 | ≤30 | 10000 |
| 80 | 80 | 8.0 | 174 | 17.4 | 110 | 11.0 | 324 | 32.4 | |||||
| 100 | 92 | 9.2 | 215 | 21.5 | 147 | 14.7 | 390 | 39.0 | |||||
| 120 | 92 | 9.2 | 229 | 22.9 | 147 | 14.7 | 417 | 41.7 | |||||

Robot
Humanoid Robot
Metal-working
Medical Equipment
Energy
Paper Machinery
Aviation
Communication
