| Type | Speed ratio |
Rated torque at input 2000r/min |
Allowable peak torque when starting and stopping |
The allowable maximum value of the average load torque |
The maximum allowable torque in an instant |
Maximum allowable input rotation speed (Grease lubrication) |
Average allowable input speed (Grease lubrication) |
Backlash | Designed service life |
||||
| Nm | kgfm | Nm | kgfm | Nm | kgfm | Nm | kgfm | r/min | r/min | Arc Sec | Hour | ||
| 14 | 50 | 6.7 | 0.7 | 22 | 2.2 | 8.6 | 0.9 | 44 | 4.4 | 10000 | 6500 | ≤20 | 15000 |
| 80 | 9.7 | 1.0 | 29 | 2.9 | 13.7 | 1.4 | 58 | 5.8 | |||||
| 100 | 9.7 | 1.0 | 35 | 3.5 | 14 | 1.4 | 67 | 6.7 | |||||
| 17 | 50 | 20 | 2.0 | 43 | 4.3 | 33 | 3.3 | 88 | 8.8 | 7500 | 5600 | ≤20 | 20000 |
| 80 | 27.8 | 2.8 | 54 | 5.4 | 34 | 3.4 | 110 | 11.0 | |||||
| 100 | 30 | 3.0 | 66 | 6.6 | 49 | 4.9 | 135 | 13.5 | |||||
| 120 | 30 | 3.0 | 66 | 6.6 | 49 | 4.9 | 107 | 10.7 | |||||
| 20 | 50 | 32.5 | 3.3 | 72 | 7.2 | 44 | 4.4 | 127 | 12.7 | 7000 | 4800 | ≤20 | 20000 |
| 80 | 43 | 4.3 | 93 | 9.3 | 59 | 5.9 | 161 | 16.1 | |||||
| 100 | 51 | 5.1 | 105 | 10.5 | 63 | 6.3 | 188 | 18.8 | |||||
| 120 | 51 | 5.1 | 111 | 11.1 | 63 | 6.3 | 188 | 18.8 | |||||
| 160 | 51 | 5.1 | 117 | 11.7 | 63 | 6.3 | 188 | 18.8 | |||||
| 25 | 50 | 49 | 4.9 | 123 | 12.3 | 69 | 6.9 | 234 | 23.4 | 5600 | 4000 | ≤20 | 20000 |
| 80 | 79 | 7.9 | 171 | 17.1 | 109 | 10.9 | 320 | 32.0 | |||||
| 100 | 85 | 8.5 | 199 | 19.9 | 136 | 13.6 | 360 | 36.0 | |||||
| 120 | 85 | 8.5 | 212 | 21.2 | 136 | 13.6 | 385 | 38.5 | |||||
| 160 | 85 | 8.5 | 223 | 22.3 | 136 | 13.6 | 398 | 39.8 | |||||
| 32 | 50 | 96 | 9.6 | 273 | 27.3 | 136 | 13.6 | 482 | 48.2 | 5600 | 3000 | ≤20 | 20000 |
| 80 | 146 | 14.6 | 376 | 37.6 | 206 | 20.6 | 702 | 70.2 | |||||
| 100 | 171 | 17.1 | 416 | 41.6 | 269 | 26.9 | 807 | 80.7 | |||||
| 120 | 171 | 17.1 | 440 | 44.0 | 269 | 26.9 | 855 | 85.5 | |||||
| 160 | 171 | 17.1 | 463 | 46.3 | 269 | 26.9 | 855 | 85.5 | |||||

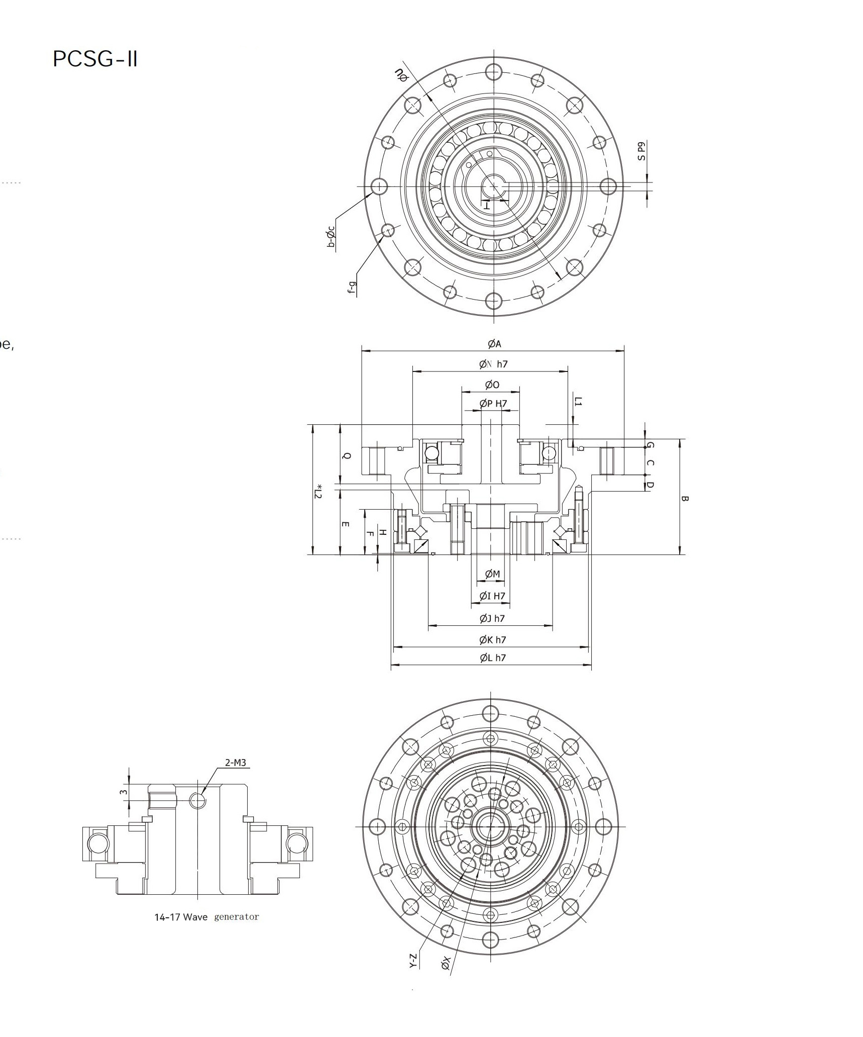
Robot
Humanoid Robot
Metal-working
Medical Equipment
Energy
Paper Machinery
Aviation
Communication
